|
| |
 |
| |
無錫賽文傳動科技有限公司
電話:0510-85187479
傳真:0510-68560879
范經理:13961710084
網址:www.lqkyj.com
郵箱:sales@wxswcd.com
地址:無錫市濱湖區雙新工業園
|
| |
|
|
|
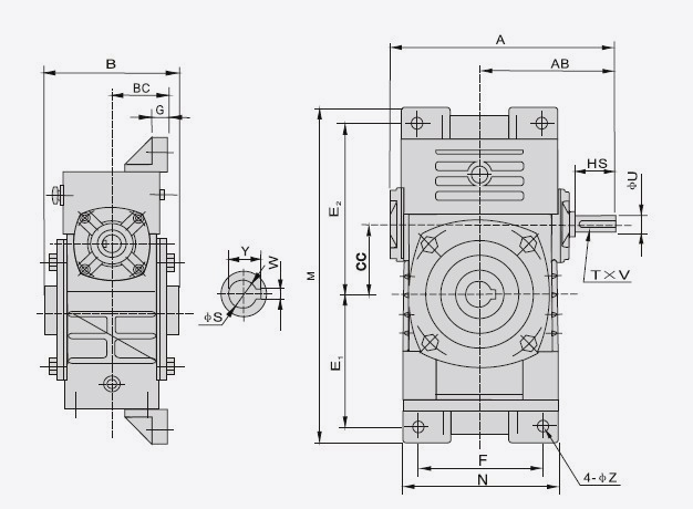
FCWKO蝸輪蝸桿減速機 |
|
| |
軸指向表示(Shaft Directio)
型號
SIZE
|
減速比
Ratio
|
A
|
AB
|
B
|
BC
|
CC
|
N
|
M
|
F
|
E1
|
E2
|
G
|
Z
|
入力軸
input thaft
|
出力軸
output thaft
|
重 量
|
|
HS
|
U
|
T×V
|
S
|
W×Y
|
KG
|
|
40
|
1/10
1/15
1/20
1/25
1/30
1/40
1/50
1/60
|
149
|
89
|
90
|
45
|
40
|
95
|
187
|
70
|
72
|
97
|
12
|
10
|
25
|
12
|
4×2.5
|
16
|
5×18.3
|
5
|
|
50
|
175
|
107
|
110
|
50
|
50
|
111
|
226
|
90
|
90
|
110
|
14
|
12
|
30
|
12
|
4×2.5
|
20
|
6×22.8
|
8
|
|
60
|
198
|
122
|
120
|
55
|
60
|
127
|
257
|
100
|
102
|
129
|
15
|
12
|
40
|
15
|
5×3
|
25
|
8×28.3
|
11
|
|
70
|
231
|
140
|
132
|
65
|
70
|
152
|
305
|
120
|
120
|
155
|
20
|
15
|
40
|
18
|
6×3.5
|
30
|
8×33.3
|
15.5
|
|
80
|
261
|
160
|
150
|
70
|
80
|
174
|
350
|
140
|
140
|
180
|
20
|
15
|
50
|
22
|
6×3.5
|
35
|
10×38.3
|
24
|
|
100
|
322
|
190
|
174
|
90
|
100
|
224
|
410
|
190
|
165
|
215
|
22
|
15
|
50
|
25
|
8×4
|
40
|
12×43.3
|
38
|
|
120
|
381
|
229
|
180
|
100
|
120
|
264
|
494
|
220
|
195
|
255
|
25
|
18
|
65
|
30
|
8×4
|
45
|
14×48.8
|
56
|
|
135
|
433
|
260
|
214
|
110
|
135
|
304
|
559
|
260
|
230
|
285
|
30
|
18
|
75
|
35
|
10×5
|
60
|
18×64.4
|
84
|
|
155
|
504
|
302
|
256
|
140
|
155
|
345
|
605
|
290
|
250
|
306
|
35
|
21
|
85
|
40
|
12×5
|
70
|
20×74.9
|
129
|
|
175
|
545
|
325
|
282
|
150
|
175
|
374
|
675
|
320
|
273
|
348
|
40
|
21
|
85
|
45
|
14×5.5
|
80
|
22×85.4
|
157
|
|
200
|
587
|
350
|
324
|
175
|
200
|
424
|
749
|
370
|
305
|
390
|
40
|
24
|
95
|
50
|
14×5.5
|
85
|
22×90.4
|
224
|
|
|
|