|
| |
 |
| |
無錫賽文傳動科技有限公司
電話:0510-85187479
傳真:0510-68560879
范經理:13961710084
網址:www.lqkyj.com
郵箱:sales@wxswcd.com
地址:無錫市濱湖區雙新工業園
|
| |
|
|
|
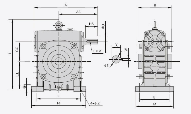
FCKS蝸輪蝸桿減速機 |
|
| |
軸指向表示Shaft Directio
|
型號Size
|
減速比Ratio
|
A
|
AB
|
B
|
|
CC
|
H
|
HL
|
M
|
N
|
E
|
F
|
G
|
Z
|
入力軸
Input Shaft
|
出力軸OutputShaft
|
重量WEIGHT
|
|
HS
|
U
|
T×V
|
|
S
|
W×Y
|
|
|
40
|
1/10
1/20
1/30
1/40
1/50
1/60
|
143
|
87
|
90
|
|
40
|
141
|
60
|
90
|
100
|
70
|
80
|
13
|
10
|
25
|
12
|
4×2.5
|
|
16
|
5*18.3
|
4
|
|
50
|
175
|
107
|
110
|
|
50
|
180
|
80
|
120
|
140
|
95
|
110
|
15
|
12
|
30
|
12
|
4×2.5
|
|
20
|
6*22.8
|
7
|
|
60
|
198
|
122
|
120
|
|
60
|
207
|
90
|
130
|
150
|
105
|
120
|
20
|
12
|
40
|
15
|
5×3
|
|
25
|
8*28.3
|
10
|
|
70
|
231
|
140
|
132
|
|
70
|
238
|
105
|
150
|
190
|
115
|
150
|
20
|
15
|
40
|
18
|
6×3.5
|
|
30
|
8*33.3
|
15
|
|
80
|
261
|
160
|
150
|
|
80
|
270
|
120
|
170
|
220
|
135
|
180
|
20
|
15
|
50
|
22
|
6×3.5
|
|
35
|
10*38.3
|
20
|
|
100
|
322
|
190
|
174
|
|
100
|
331
|
150
|
190
|
270
|
155
|
220
|
25
|
15
|
50
|
25
|
8×4
|
|
40
|
12*43.3
|
35
|
|
120
|
381
|
229
|
180
|
|
120
|
423
|
180
|
230
|
320
|
180
|
260
|
30
|
18
|
65
|
30
|
8×4
|
|
45
|
14*48.8
|
60
|
|
135
|
433
|
260
|
214
|
|
135
|
482
|
215
|
250
|
350
|
200
|
290
|
30
|
18
|
75
|
35
|
10×5
|
|
60
|
18*64.4
|
80
|
|
155
|
504
|
302
|
256
|
|
155
|
541
|
235
|
275
|
390
|
220
|
320
|
35
|
21
|
85
|
40
|
12×5
|
|
70
|
20*74.9
|
110
|
|
175
|
545
|
325
|
282
|
|
175
|
594
|
260
|
310
|
430
|
250
|
350
|
40
|
21
|
85
|
45
|
14×5.5
|
|
80
|
22*85.4
|
150
|
|
200
|
587
|
350
|
324
|
|
200
|
677
|
290
|
360
|
480
|
290
|
390
|
40
|
24
|
95
|
50
|
14×5.5
|
|
85
|
22*90.4
|
215
|
|
|
|